3D tasarım, modern mühendislik dünyasında mekanik tasarımın en güçlü aracı haline gelmiştir. Günümüzde bir ürünün fikrinden üretimine kadar uzanan her aşama, 3D modelleme teknolojileri sayesinde hatasız, hızlı ve verimli biçimde yönetilebilmektedir. Formbond, bu 3D çizim ile teknolojiyi sadece görselleştirme aracı olarak değil; mekanik doğruluk, üretilebilirlik ve kalite kontrolün merkezinde konumlandırır. Ürün tasarımı ve parça tasarımı ile 3D çizim teknolojileri ile öne geçin.
Profesyonel ekibimiz, 3D tasarım ile profesyonel mekanik tasarımlar oluşturarak, her sektörde ISO standartlarına uygun, üretime hazır çözümler sunar. Bu sayede müşterilerimiz, hem estetik hem de mühendislik açısından kusursuz sonuçlara ulaşır.
🔒 Tüm proje verileriniz, CAD dosyalarınız ve tasarım kayıtlarınız Formbond’un güvenli mühendislik veri altyapısında korunur. Her proje yalnızca yetkili mühendis ekibimiz tarafından incelenir ve gizlilik sözleşmesi kapsamında yürütülür.
💡 Tasarım sürecinizi profesyonelleştirin! Formbond mühendisliğiyle ürünlerinizi kısa sürede üretime hazır hale getirin.
3D Tasarım: Fikri Modelden Ürüne Çevirme
İçindekiler
3D tasarım, fikirlerin somut bir ürüne dönüşmesinde en kritik aşamalardan biridir. Modern üretim dünyasında, bir projenin başarısı yalnızca fikirden ibaret değildir; o fikrin dijital ortamda doğru biçimde modellenmesi gerekir. FormBond, 3D tasarım sürecinde mühendislik doğruluğu ile estetik yaklaşımı bir araya getirerek her ölçekteki projeye özel çözümler üretir.
Bu süreçte, ürünün işlevsel ve üretilebilir yapısını analiz etmek kadar, ergonomi, malzeme seçimi ve üretim teknolojisi de dikkate alınır. Bilgisayar destekli tasarım (CAD) yazılımları kullanılarak oluşturulan 3D modeller, daha sonraki 3D baskı, simülasyon ve üretim aşamalarına zemin hazırlar. Böylece fiziksel prototip yapılmadan önce olası hatalar tespit edilir, tasarım süresi kısalır ve maliyetler düşer.
FormBond’un uzman ekibi, 3D tasarımı yalnızca bir görselleştirme adımı olarak değil, tüm ürün geliştirme zincirinin stratejik bir bileşeni olarak ele alır. Bu yaklaşım, müşterilere zamandan tasarruf, yüksek doğruluk ve rekabet avantajı sağlar.
3D Tasarım ve Mekanik Tasarımdaki Rolü
3D tasarım, modern mühendislik dünyasında yalnızca bir görselleştirme aracı değil, mekanik tasarım sürecinin temel taşı haline gelmiştir. 3D çizim, ürün geliştirme sürecinde yapılan her çizim, ölçülendirme ve analiz, 3D ortamda modellenerek mekanik doğruluğun, üretilebilirliğin ve montaj uyumunun garanti altına alınmasını sağlar.
Formbond, 3D tasarımı bir “çizim aracı” olarak değil, tasarım doğrulama ve mühendislik optimizasyon platformu olarak kullanır. Her proje, dijital ortamda gerçek dünya koşullarıyla test edilerek üretim öncesinde mükemmelleştirilir. Böylece müşterilerimiz, ilk prototipte doğru ürüne ulaşır — zaman, maliyet ve hata payı minimuma iner.
3D Modelleme ile Sağlanan Mekanik Avantajlar
3D tasarımın, yada 3D çizim ile mekanik mühendisliğe kattığı avantajlar saymakla bitmez, ancak en kritik olanları şunlardır:
- Geometrik Hassasiyet: Mikron düzeyinde boyutsal doğruluk.
- Montaj Doğrulama: Tüm parçalar dijital ortamda test edilerek olası çakışmalar önlenir.
- Tolerans Yönetimi: ISO 2768 ve ISO 1101 standartlarına göre boyutsal ve geometrik kontrol.
- Simülasyon Desteği: Yük, titreşim ve hareket analizleriyle mekanik güvenilirlik sağlanır.
- Üretim Öncesi Geri Bildirim: Üretim sürecinde oluşabilecek hatalar daha tasarım aşamasında tespit edilir.
Ürün üretimi için “3D Parça Üretimi” makalemize göz atabilirsiniz.
Formbond mühendisleri, her tasarımda bu süreçleri entegre biçimde uygular. Sonuç: estetik, fonksiyonel ve üretime hazır mekanik tasarımlar.
💡 İlgili Makale Önerisi:
Ürünlerinizin Eklemeli İmalat Yöntemleri ile prototip ve seri üretimi için “3D Baskı” makalemizi okuyup sipariş verebilirsiniz.
3D Baskı Hizmeti: Formbond İle Hızlı, Uygun ve Profesyonel
Konseptten Üretime: Formbond’un 3D Tasarım Süreci
Her başarılı ürün, iyi planlanmış bir 3D tasarım sürecinin sonucudur.
Formbond olarak biz, tasarımın yalnızca bir çizim aşaması olmadığını; mekanik mühendisliğin, üretim bilgeliğinin ve estetik anlayışın birleştiği kapsamlı bir süreç olduğunu biliyoruz.
Bu yüzden her projeyi konseptten üretime kadar entegre bir yaklaşımla yönetiyoruz.
Aşağıda Formbond’un 3D ve mekanik tasarım süreci adım adım açıklanmıştır:
1️⃣ Konsept Tasarımı: Fikrin Mühendislikle Buluşması
Her şey bir fikirle başlar.
Bu fikir, müşterinin vizyonu ve teknik gereksinimleri doğrultusunda mühendislik altyapısına dönüştürülür.

Formbond, konsept aşamasında:
- Ürün işlevlerini, kullanım senaryolarını ve hedef pazarı analiz eder,
- İlk eskizleri 3D ortama aktarır,
- Gerektiğinde render’lar ile görsel konsept oluşturur.
Amaç, estetik ve işlevselliğin dengelendiği mekanik olarak uygulanabilir bir tasarım fikri oluşturmaktır.
2️⃣ 3D Modelleme: Mekanik Detayların İnşa Edilmesi
Konsept onaylandıktan sonra, ürünün tüm parçaları 3D CAD ortamında modellenir.
Bu aşamada:
- Her parçanın geometrisi, malzeme özellikleri ve üretim yöntemi dikkate alınır,
- 3D model üzerinde montaj denemeleri yapılır,
- Tüm bağlantı elemanları, delikler, boşluklar ve oturma yüzeyleri dijital ortamda test edilir.
Formbond mühendisleri, bu süreçte SolidWorks, Autodesk Inventor ve Siemens NX gibi yazılımlarla çalışarak, en yüksek hassasiyeti sağlar.

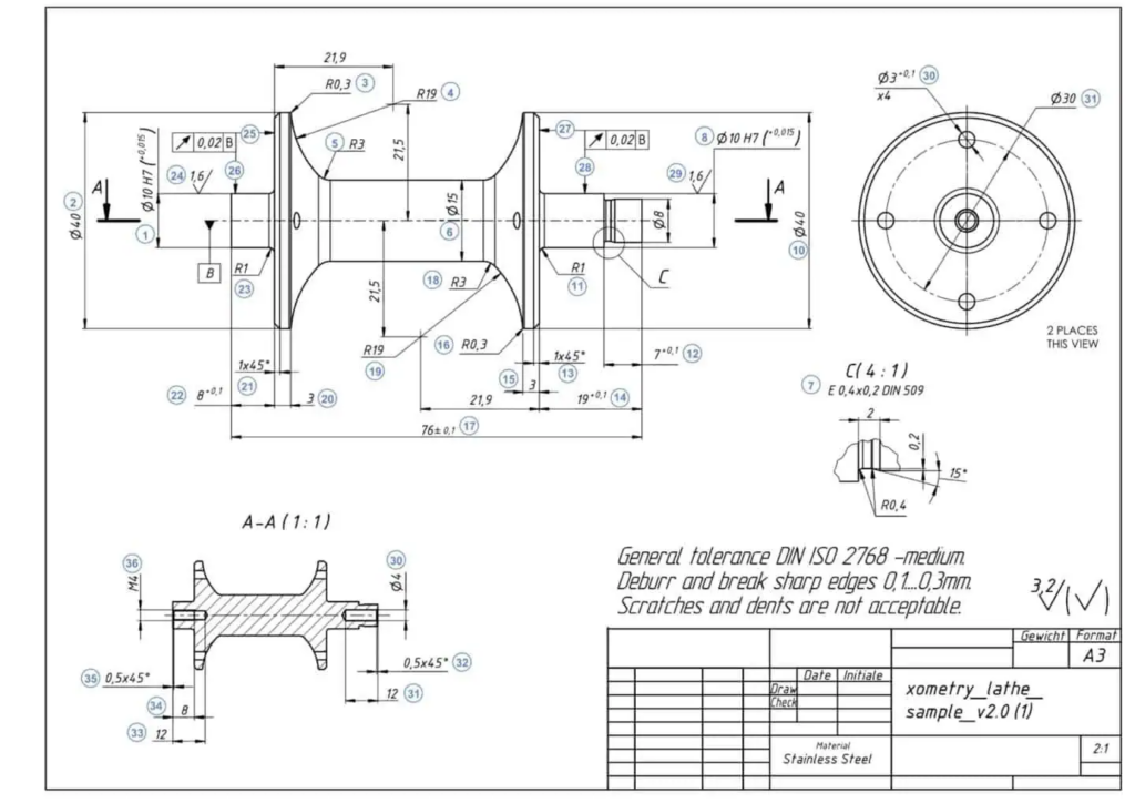
3️⃣ Tolerans ve Geometrik Kontrol: ISO Standartlarında Hassasiyet
3D tasarımın en kritik adımlarından biri, tolerans yönetimidir.
Formbond, ISO 2768 ve ISO 1101 standartlarına göre:
- Boyutsal toleranslar (örneğin ±0.02 mm),
- Geometrik toleranslar (düzlemsellik, eşmerkezlilik, paralellik vb.),
- Pozisyon ve konum toleransları belirler.
Bu sayede parçalar, hem ayrı ayrı hem de montaj halinde mükemmel mekanik uyum gösterir.
4️⃣ Yüzey İşaretleri ve Malzeme Seçimi – 3D Tasarım
Formbond, tasarımda yüzey kalitesini üretim yöntemine göre belirler.
Her teknik resimde:
- Yüzey pürüzlülüğü (Ra) değerleri,
- İşleme yönü,
- Kaplama veya boyama detayları belirtilir.
Ayrıca malzeme seçimi yapılırken mukavemet, ağırlık, korozyon direnci ve maliyet dengesi gözetilir.
Bu yaklaşım, yalnızca tasarım kalitesini değil, üretim verimliliğini de artırır.
5️⃣ Montaj Analizi: Sanal Ortamda Gerçek Montaj
3D ortamda tüm parçalar bir araya getirilir ve montaj simülasyonları yapılır.
Bu analiz sayesinde:
- Parça çakışmaları tespit edilir,
- Bağlantı elemanları optimize edilir,
- Montaj yönleri sadeleştirilir.
Bu süreç, Formbond’un montaj kolaylığı (DFA) yaklaşımıyla birebir uyumludur.
6️⃣ İmalat Resimleri: Üretim Hazırlığı
Tasarımın son aşaması, ISO standartlarına uygun imalat resimlerinin hazırlanmasıdır.
Formbond’un hazırladığı her teknik resimde:
- Ölçülendirme sistemi (ISO 129),
- Toleranslar, yüzey işaretleri, kaynak sembolleri,
- Malzeme ve parça numaraları yer alır.
Bu dokümanlar, üretim hattına doğrudan aktarılabilir tam mühendislik paketleri halindedir.

Sonuç: Hatasız, Üretilebilir ve Standartlara Uygun Tasarımlar
Formbond’un 3D tasarım süreci, her aşamasında mekanik doğruluk, üretim kolaylığı ve estetik kaliteyi bir arada sunar.
Her proje; analiz edilmiş, optimize edilmiş ve üretime hazır şekilde tamamlanır.
ISO Standartlarında Mekanik Tasarım ve Mükemmellik
Mekanik tasarımda başarının sırrı, yalnızca iyi bir fikir ya da güçlü bir yazılım değildir — asıl farkı uluslararası standartlara uygunluk yaratır.
Formbond, her 3D tasarım projesinde ISO standartlarını merkeze alarak, hem üretim kalitesini hem de ürün güvenilirliğini garanti altına alır.
Bu yaklaşım, tasarımdan üretime kadar geçen sürecin her adımında tekrarlanabilir kalite ve mekanik doğruluk sağlar.
3D Tasarım ve Neden ISO Standartları Önemlidir?
Endüstriyel ürünlerin global pazarda rekabet edebilmesi için, her detayın standart ölçüler ve toleranslarla tanımlanması gerekir.
ISO standartları, tasarımın sadece estetik değil, mühendislik açısından ölçülebilir, üretilebilir ve kontrol edilebilir olmasını sağlar.
Formbond, bu standartları sadece uygulamakla kalmaz — her projeye özel olarak doğru standart seçimi yapar.
Formbond’un Uyguladığı Temel ISO Standartları
| ISO Standardı | Kapsam | Kullanım Alanı |
|---|---|---|
| ISO 2768 | Boyutsal toleranslar | Parça ölçülerinde izin verilen sapmaların tanımlanması |
| ISO 1101 | Geometrik toleranslar | Düzlemsellik, dairesellik, paralellik gibi geometrik doğruluklar |
| ISO 1302 | Yüzey pürüzlülüğü işaretleri | Parçaların yüzey kalitesi, işleme yöntemleri |
| ISO 8015 | Ölçü prensipleri | Teknik resimlerde ölçülendirme kuralları |
| ISO 13715 | Kenar geçişleri | Kenar pahları, kırıklıklar ve güvenli birleşimler |
Formbond’un tasarım ekibi, bu standartlara göre:
- Her ölçüyü, toleransla birlikte tanımlar,
- Her yüzeyi, işleme kalitesiyle birlikte belirler,
- Her montajı, geometrik uyum doğrulamasıyla test eder.
Sonuç: Üretim aşamasında sıfır sürpriz, tam uyumlu mekanik montaj.
Kaliteyi Garanti Eden 3D Tasarım Yaklaşımı
Formbond, 3D tasarım sürecini bir kalite zinciri olarak yönetir.
Bu zincirin her halkasında ISO standartlarıyla kontrol yapılır:
- Modelleme aşamasında: Ölçü sistematiği ve birim tutarlılığı denetlenir.
- Montaj aşamasında: Çakışma, hizalama ve geometrik tolerans kontrolleri yapılır.
- İmalat aşamasında: 2D teknik resimlerde yüzey, kaynak, delik ve kesit detayları ISO normlarına göre tanımlanır.
Bu sistematik yaklaşım, Formbond’un her tasarımında ulusal ve uluslararası üretim hatlarıyla tam uyum sağlar.
Müşteri İçin Anlamı: Standartlara Uygunluk = Üretim Güvencesi
ISO standartlarına göre hazırlanan 3D ve mekanik tasarımlar, üretim sürecinde:
- Hata oranlarını minimize eder,
- Montaj süresini kısaltır,
- Revizyon ihtiyacını azaltır,
- Üretim maliyetlerini kontrol altında tutar.
Bu sayede Formbond müşterileri, yalnızca güzel görünen değil, mükemmel çalışan ürünlere sahip olur.
3D Çizim ile Ürün Tasarımı ve Modellenmesi
3D çizim, mekanik tasarım sürecinin ilk ve en önemli adımıdır.
Bir ürünün üretim öncesinde tüm detaylarının dijital ortamda modellenmesi, hem mühendislik doğruluğunu hem de üretim kalitesini belirler.
Formbond, 3D çizim hizmetlerinde yalnızca görsel bir model sunmaz; her çizimi, ISO standartlarına uygun ve üretime hazır şekilde hazırlar.
Formbond’un uzman mühendisleri, SolidWorks, CATIA ve Autodesk Inventor gibi profesyonel CAD yazılımlarıyla çalışarak, her parçayı boyutsal ve geometrik hassasiyetle oluşturur.
Her 3D model, daha sonra yapılacak tolerans analizi, montaj simülasyonu ve imalat resimleri için temel teşkil eder. 3D çizim multidisiplin bir çalışma gerektiren süreçtir.
Bu sayede müşteriler, tasarım aşamasında ürünlerinin gerçek üretim performansını öngörebilir, hataları önceden tespit eder ve üretim süresini önemli ölçüde kısaltır.
Kısacası, Formbond’un 3D çizim hizmeti, bir ürünün sadece dijital görünümünü değil, mekanik mükemmelliğini de garanti altına alır.
DFx Yaklaşımı: Üretim, Montaj ve Verimlilik için 3D Tasarım
3D tasarımın asıl gücü, sadece bir ürünü modellemekten değil, o ürünü üretilebilir, monte edilebilir ve maliyet açısından optimize edilmiş hale getirmekten gelir.
Formbond’un tasarım sürecinin merkezinde bu anlayış vardır:
Her çizim, her detay, her parça; üretim verimliliğini artıracak şekilde düşünülür.
Bu yaklaşım, mühendislik dünyasında DFx (Design for Excellence) olarak bilinir.
DFx, “X” harfiyle birden fazla mükemmellik alanını kapsar — Manufacturing (üretim), Assembly (montaj), Cost (maliyet) gibi.
Formbond bu felsefeyi her projede sistematik biçimde uygular.
DFM – Design for Manufacturing (Üretim için Tasarım)
Formbond’un 3D tasarım ekibi, mekanik parçaları oluştururken her zaman üretim yöntemini dikkate alır.
Bir tasarımın sadece doğru olması yetmez; üretilebilir olması gerekir.
Bu kapsamda:
- Parça geometrileri, kullanılacak işleme yöntemiyle uyumlu hale getirilir,
- Karmaşık yüzeyler sadeleştirilir,
- Gereksiz geçişler ve kalınlık değişimleri minimize edilir,
- Standardize edilmiş bağlantı elemanları tercih edilir.
Sonuç olarak üretim süresi kısalır, imalat hataları azalır, malzeme israfı önlenir.
Bu da müşteriye doğrudan maliyet ve zaman avantajı olarak geri döner.
DFA – Design for Assembly (Montaj için Tasarım)
Montaj, mekanik tasarımın en kritik aşamalarından biridir.
En iyi ürün bile, montajı zor veya hataya açık ise üretim hattında ciddi kayıplar yaratabilir.
Formbond’un DFA yaklaşımı, montaj kolaylığı üzerine kuruludur.
3D modelleme (3D Çizim) sürecinde:
- Parça sayısı mümkün olduğunca azaltılır,
- Bağlantı yönleri sadeleştirilir,
- Montaj sırasında hata ihtimalini azaltan hizalama toleransları belirlenir,
- Gerektiğinde montaj simülasyonları gerçekleştirilir.
Bu sayede üretim hattında zaman kazanılır, işçilik maliyeti düşer ve montaj kalitesi standart hale gelir.
DFC – Design for Cost (Maliyet için Tasarım)
Formbond, tasarım aşamasında maliyet faktörünü en baştan planlar.
Bir ürünün üretim maliyetinin %70’i, tasarım aşamasında belirlenir — dolayısıyla maliyet yönetimi burada başlar.
DFC yaklaşımıyla:
- Malzeme seçimi işlev ve bütçe dengesiyle yapılır,
- Gereksiz karmaşık geometriler sadeleştirilir,
- Alternatif üretim yöntemleri analiz edilerek uygun maliyetli çözümler seçilir.
Bu da müşteriye ekonomik ama performanslı bir tasarım kazandırır.
DFx Yaklaşımının Formbond Tasarımlarına Katkısı
Formbond’un 3D tasarım sürecinde DFx yaklaşımı uygulanarak:
- Üretim süreleri kısalır,
- Montaj hataları azalır,
- Revizyon sayısı düşer,
- Maliyet kontrolü sağlanır,
- Ürün kalitesi artar.
Yani sonuç olarak DFx, Formbond’un her tasarımında mükemmellik ve verimlilik arasındaki dengeyi kurar.
Bu yaklaşım sayesinde tasarımlar sadece çalışmakla kalmaz — üretim hattında sorunsuz işler ve müşteriye rekabet avantajı sağlar.
Formbond’un 3D Tasarımda Fark Yarattığı Noktalar
Endüstride birçok firma 3D modelleme yapabilir, ancak mekanik olarak doğru, üretime hazır ve standartlara uygun tasarım yapabilen firmalar çok azdır.
Formbond, her tasarımında sadece “görsel” değil, mühendislik odaklı sonuçlar üretir.
Bu yaklaşım, onu klasik tasarım firmalarından ayıran temel farktır.
1️⃣ Üretim Odaklı Tasarım Yaklaşımı
Formbond’un en önemli farkı, her çizimin üretim sürecini düşünerek tasarlanmasıdır.
3D modelleme aşamasında; işleme yöntemi, montaj kolaylığı, malzeme seçimi ve tolerans detayları titizlikle planlanır.
Bu sayede üretim hattında sürprizlerle karşılaşılmaz, ilk prototipte başarı oranı maksimum seviyeye çıkar.
Avantaj: Üretim süresi %30’a kadar kısalır, işçilik maliyeti azalır.
2️⃣ ISO ve DFx Entegrasyonu
Formbond’un 3D tasarımları, ISO standartlarının titizliğiyle ve DFx (Design for Excellence) felsefesinin verimliliğiyle hazırlanır.
Bu sayede her tasarım:
- ISO 2768 ve ISO 1101’e göre toleranslandırılmış,
- ISO 1302’ye göre yüzey işlenmiş,
- DFx prensiplerine göre üretim ve montaja optimize edilmiş olur.
Sonuç: Hatasız, maliyet etkin, montajı kolay mekanik sistemler.
3️⃣ Revizyon ve Proje Yönetiminde Şeffaflık
Formbond, proje sürecinde her adımı dijital olarak izlenebilir hale getirir.
Tüm revizyonlar, müşteri onayıyla sistematik şekilde kaydedilir.
Bu sayede hiçbir değişiklik gözden kaçmaz ve proje planı kontrol altında tutulur.
Avantaj: Minimum revizyon, maksimum zaman tasarrufu.
4️⃣ Simülasyon Destekli Tasarım Doğrulaması
3D modelleme süreci tamamlandıktan sonra, Formbond’un mühendisleri tasarımları mühendislik simülasyonlarıyla test eder. Bu konuda “Mühendislik Hesapları” makalemizi incelemenizi öneririz.
- Statik ve dinamik analizler,
- Gerilme ve deformasyon hesapları,
- Titreşim, sıcaklık veya yük testleri…
Bu analizler, ürünün gerçek çalışma koşullarına dayanıklılığını üretimden önce ortaya koyar.
Sonuç: Güçlü, dayanıklı ve güvenilir ürünler.
5️⃣ Hız, Esneklik ve Deneyim
Formbond’un deneyimli mühendis ekibi, aynı anda farklı sektörlerde onlarca projeyi yönetebilecek altyapıya sahiptir.
Bu sayede:
- Teslim süreleri kısalır,
- Farklı sektörlere (otomotiv, savunma, beyaz eşya, endüstriyel ekipman vb.) özel çözümler geliştirilebilir,
- Projeler uluslararası üretim standartlarıyla entegre edilir.
Avantaj: Zamanında teslim, yüksek doğruluk, düşük maliyet.
6️⃣ Müşteri Odaklı İletişim
Formbond için her müşteri bir proje değil, bir iş ortağıdır.
Tasarım sürecinin her aşamasında müşteriye bilgilendirme yapılır, kararlar ortak alınır.
Bu şeffaf yaklaşım, müşteri memnuniyetini maksimum düzeyde tutar.
Sonuç: Güvene dayalı, uzun vadeli iş ilişkileri.
7️⃣ Üretime Hazır Teslimat
Tasarımın sonunda, Formbond müşterisine yalnızca 3D model değil, tam mühendislik paketi teslim eder:
- 3D CAD dosyaları (STEP, IGES, STL)
- ISO standartlarına uygun 2D teknik resimler
- Malzeme listesi (BOM)
- Montaj ve imalat yönergeleri
Bu sayede tasarımlar üretim hattına doğrudan entegre edilebilir hale gelir.
3D Tasarım ile Müşteri Faydaları
Bir 3D tasarım projesinin en önemli amacı, yalnızca bir ürünü modellemek değil; o ürünü daha hızlı, daha güvenilir ve daha ekonomik şekilde üretilebilir hale getirmektir.
Formbond’un 3D tasarım ve mekanik tasarım süreçleri, müşterilerine yalnızca teknik doğruluk değil, rekabet avantajı da kazandırır.
Bu yaklaşım sayesinde müşterilerimiz hem zaman hem maliyet hem de kalite açısından kazanır.
1️⃣ Hızlı ve Hatasız Ürün Geliştirme
Formbond’un profesyonel 3D tasarım, yada 3D Çizim altyapısı, ürünlerin dijital ortamda test edilmesini sağlar.
Bu sayede üretim aşamasında çıkabilecek hatalar, daha tasarım sürecinde tespit edilir.
Sonuç:
- Ürün geliştirme süresi %40’a kadar azalır,
- Prototip sayısı düşer,
- Piyasaya çıkış süresi hızlanır.
Avantaj: Zaman = Rekabet gücü.
2️⃣ Üretim Maliyetlerinde Düşüş
3D modelleme sürecinde Formbond’un DFx (Design for Excellence) yaklaşımı devreye girer.
Bu sistem, üretim ve montaj sırasında gereksiz karmaşıklıkları ortadan kaldırarak,
malzeme israfını ve işçilik maliyetlerini düşürür.
Ayrıca doğru toleranslandırma ve malzeme seçimiyle üretim süreci sadeleşir.
Sonuç: Daha düşük üretim maliyetiyle, daha yüksek kaliteye ulaşılır.
3️⃣ Üretimde Sıfır Uyum Sorunu
Formbond’un ISO 1101 ve ISO 2768 standartlarına göre hazırladığı mekanik tasarımlar,
üretim hattında çakışma, hizalama ve montaj hatalarını ortadan kaldırır. Montaj konusunda bilgi için “Ürün Montajı” makalemizi okuyabilirsiniz.
3D ortamda tüm parçalar sanal olarak monte edilir, bu da üretim sırasında “sürpriz” yaşanmasını engeller.
Sonuç: Ürün, ilk denemede doğru şekilde çalışır.
4️⃣ Estetik ve Fonksiyonel Dengenin Kurulması – 3D Tasarım
3D tasarım sadece teknik doğrulukla sınırlı değildir — aynı zamanda ürünün kimliğini oluşturur.
Formbond, her projede estetik görünümü mühendislik gereksinimleriyle uyumlu hale getirir.
Bu sayede ürünler yalnızca işlevsel değil, pazarlanabilir hale gelir.
Avantaj: Müşteri markası için güçlü bir tasarım imajı oluşur. 3D çizim ile ürününüzü geliştirin.
5️⃣ ISO Standartlarında Kalite Güvencesi
Formbond’un her tasarımı, ISO 1302, ISO 8015 ve ISO 13715 gibi standartlara uygun olarak hazırlanır.
Bu, ürünün yalnızca yerel değil, uluslararası üretim hatlarında da sorunsuz çalışmasını sağlar.
Ayrıca bu standart uyumu, kalite denetimlerinde büyük avantaj yaratır.
Sonuç: Ürün, global seviyede üretime uygun hale gelir.
6️⃣ 3D Tasarım ve Üretime Hazır Teslimat
Proje tamamlandığında Formbond yalnızca 3D modeli teslim etmez;
müşteriye üretim hattına doğrudan entegre edilebilen tam mühendislik paketi sunar:
- 3D CAD dosyaları (STEP, IGES, STL),
- ISO uyumlu 2D imalat resimleri,
- Parça listeleri (BOM),
- Montaj yönergeleri ve teknik dokümantasyon.
Avantaj: Ekstra mühendislik çalışmasına gerek kalmaz, üretim anında başlatılabilir.
7️⃣ Güven, İletişim ve Uzun Vadeli İş Ortaklığı
Formbond, müşterileriyle tek seferlik bir iş değil, uzun süreli bir mühendislik iş birliği hedefler.
Tasarım süreci boyunca düzenli iletişim, şeffaf raporlama ve profesyonel revizyon yönetimi sağlanır.
Müşteri, sürecin her aşamasında görünür ve söz sahibi olur.
Sonuç: Güvene dayalı, sürdürülebilir iş ilişkisi.
Sıkça Sorulan Sorular (SSS)
1️⃣ 3D tasarım süreci ne kadar sürer?
3D tasarım süresi, ürünün karmaşıklığına ve parça sayısına göre değişir.
Formbond olarak genellikle 1 ila 4 hafta arasında proje teslimi sağlıyoruz.
Karmaşık mekanik sistemlerde dahi süreci optimize ederek zaman kaybını minimuma indiriyoruz.
2️⃣ Hangi dosya formatlarında teslim yapıyorsunuz?
Tüm 3D ve 2D veriler, üretim uyumlu formatlarda teslim edilir:
- 3D modeller: STEP (.stp), IGES (.igs), STL
- 2D teknik resimler: DWG, DXF, PDF
- Montaj dokümanları ve parça listeleri (BOM)
Bu sayede dosyalar doğrudan üretim hattına aktarılabilir.
3️⃣ ISO standartlarına uygun 3D tasarım yapıyor musunuz?
Evet, Formbond’un tüm mekanik tasarım ve 3D modelleme süreçleri ISO standartlarına uygundur.
Kullandığımız başlıca standartlar:
- ISO 2768 (Boyutsal toleranslar)
- ISO 1101 (Geometrik toleranslar)
- ISO 1302 (Yüzey pürüzlülüğü)
- ISO 8015 (Ölçü prensipleri)
Bu sayede her proje, uluslararası üretim kalitesinde hazırlanır.
4️⃣ Revizyon taleplerini nasıl yönetiyorsunuz?
Tüm revizyonlar dijital ortamda takip edilir.
Müşteriden gelen değişiklik talepleri kayıt altına alınır, onaylanır ve versiyon kontrollü şekilde uygulanır.
Bu sistem sayesinde hiçbir revizyon kaybolmaz veya gözden kaçmaz — tam izlenebilirlik sağlanır.
5️⃣ 3D tasarım sonrası üretim desteği veriyor musunuz?
Evet, Formbond yalnızca tasarımı değil, üretim hazırlığı sürecini de destekler.
Bu kapsamda:
- İmalat resimleri ve tolerans kontrolleri,
- Üretim hattı teknik dokümantasyonu,
- Montaj yönergeleri,
- Parça listeleri (BOM)
hazırlanarak müşteriye teslim edilir.
Gerekirse üretim sürecinde de teknik danışmanlık sağlanır.
6️⃣ Hangi sektörlere hizmet veriyorsunuz?
Formbond, çok geniş bir endüstriyel yelpazede faaliyet gösterir:
- Otomotiv – Parça ve ekipman tasarımları
- Savunma sanayi – Dayanım odaklı mekanik sistemler
- Beyaz eşya ve elektronik – Fonksiyonel plastik ve metal parçalar
- Makine ve endüstriyel ekipman – Montaj hatları ve özel sistemler
Her sektörün kendi teknik dinamiklerine uygun 3D ve mekanik tasarım çözümleri geliştiriyoruz.
7️⃣ 3D tasarım sürecinde müşteriden ne bekliyorsunuz?
Formbond süreci şeffaf bir iş birliği anlayışıyla yürütür.
Müşteriden beklentimiz, projenin:
- Teknik gereksinimlerinin,
- Kullanım koşullarının,
- İstenilen performans kriterlerinin net paylaşılmasıdır.
Bu sayede süreç hızlı, verimli ve hedef odaklı ilerler.
8️⃣ Formbond diğer 3d tasarım firmalarından nasıl ayrılıyor?
Formbond’un farkı; 3D tasarım, mekanik mühendislik, ISO standartları ve DFx yaklaşımını tek çatı altında buluşturmasıdır.
Her proje, sadece çizim değil; üretim, kalite ve maliyet açısından optimize edilmiş bir mühendislik çözümüne dönüştürülür.
Bu sayede müşterilerimiz, ilk denemede doğru ürüne ulaşır.
Formbond ile 3D Tasarım: Güvendesiniz
Bir ürünün başarısı, yalnızca üretim hattında değil, tasarım masasında başlar.
Formbond olarak biz, her projemizde 3D tasarımın gücünü ve mekanik mühendisliğin hassasiyetini bir araya getiriyoruz. Yine yapay zeka destekli “Generative Design” yaklaşımı ile ürünlerinizi mükemmel hale getiriyoruz.
Bu sayede her ürün, konsept aşamasından üretime kadar ISO standartlarında doğrulanmış, DFx prensipleriyle optimize edilmiş ve üretime tamamen hazır hale geliyor.
Formbond’un farkı, yalnızca tasarım yapmak değil — çalışan, dayanıklı ve ekonomik çözümler üretmektir.
Mühendislik bakış açımız, her detayı analiz eder; her yüzey, her tolerans, her montaj noktası titizlikle kontrol edilir.
Sonuçta ortaya çıkan her tasarım; hem üretim maliyetini düşürür, hem ürün ömrünü uzatır, hem de montaj sürecini kolaylaştırır.
💡 Kısacası: Formbond ile çalışan her müşteri, yalnızca bir çizim değil, tam bir mühendislik çözümü elde eder.
Bizim için 3D tasarım bir araç değil, mükemmeliyetin dilidir.
Neden Formbond?
- ✅ ISO standartlarına uygun 3D ve mekanik tasarım
- ✅ DFx (Design for Excellence) prensipleriyle üretim odaklı yaklaşım
- ✅ Hızlı teslimat ve revizyon kontrol sistemi
- ✅ Üretime hazır dosya ve teknik resim teslimatı
- ✅ Sektörel deneyim (otomotiv, savunma, endüstriyel ekipman vb.)
Bir Sonraki Adım
Ürün fikrinizi bir adım öteye taşıyın.
Formbond’un mühendislik ekibiyle iletişime geçin ve 3D tasarım sürecinizi üretim gücüne dönüştürün.
🔗 Daha fazla bilgi için: www.formbond.com
Öne Çıkanlar
- 3D tasarım, mekanik tasarımın temel aracı olup fikirlerin hızlı ve hatasız ürüne dönüşmesini sağlar.
- Formbond, 3D tasarımı sadece görselleştirme değil, mühendislik ve üretim süreçlerinin merkezi olarak kullanır.
- 3D modelleme ile geometrik hassasiyet, montaj doğrulama ve simülasyon destekli analiz sağlanır.
- ISO standartlarına uygun 3D tasarım, üretim kalitesini artırır ve hataları minimize eder.
- Müşteri odaklı yaklaşım ile her proje, şeffaf iletişim ve izlenebilirlik ile yönetilir.